
Modbus w sterowaniu stanem wejść cyfrowych
Niektóre aplikacje wymagają by przy jak najmniejszej ilości okablowania wykorzystywać funkcje wyzwalane przez wejścia cyfrowe urządzenia. W takim przypadku można skorzystać z opcji wyzwalania danych wejść cyfrowych po komunikacji. Sposób ten pozwala na zaoszczędzenie wyjść cyfrowych urządzenia sterującego oraz ogranicza ilość niezbędnego okablowania do minimum.
Krok 1
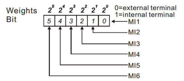
W pierwszej kolejności należy zmienić status danego wejścia MI. Domyślnie każde z wejść jest typu zewnętrznego (External) zaś w parametrze falownika 4.27 istnieje możliwość zmiany typu na wewnętrzny (Internal). Zmieniając typ wejścia na INTERNAL możliwa jest zmiana stanu wejścia po komunikacji, za pomocą wewnętrznego PLC, a także z klawiatury panelu cyfrowego. Aby zmienić status danego wejścia w parametrze 4.27 należy wpisać decymalną wartość zgodną z poniższym schematem:

Przykładowo, aby zmienić status wejść MI5 oraz MI6 na INTERNAL do parametru 4.27 wpisujemy wartość 2^4 + 2^5=16+32=48.
Krok 2
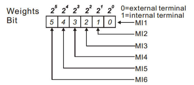
Zmianę stanu wejścia typu INTERNAL możemy realizować przez zmianę parametru 4.28. Wpisując odpowiednią wartość (rysunek poniżej) zmieniamy stan danego wejścia.

Przykładowo, by zmienić stan wejść MI5 i MI6 na ON do parametru 4.28 wpisujemy wartość 2^4 + 2^5=16+32=48. Dodatkowo zmiana tego parametru (czyli zmiana stanu wejść cyfrowych) jest możliwa podczas pracy falownika.
Krok 3
Wymianę danych PLC z falownikiem przez Modbus realizujemy w oprogramowaniu ISPSoft wykorzystując bloczek MODRW.

Parametry funkcji uzupełniamy w następujący sposób:
S1 – adres urządzenia z którym chcemy się połączyć
S2 – kod funkcji modbus: 6- zapis jednego słowa
S3 – modbusowy adres rejestru, w który chcemy wpisać daną
S – rejestr przechowujący dane które chcemy wpisać do urządzenia
n – ilość rejestrów które chcemy zapisać korzystając z instrukcji MODRW
Aby zmieniać stan danego wejścia należy wpisywać odpowiednie wartości do parametru falownika 4.28. Aby uzyskać odpowiadający adres modbusowy należy obie części adresu parametru zamienić na system szesnastkowy.

W miejsce S3 wpisujemy zatem 16#041c. Zmieniając odpowiednio wartość w rejestrze D100 możemy zmieniać stany wejść MI (które mają status INTERNAL). Przykładowo, by sterować stanem wejścia MI6 należy do D100 wpisać 32 (MI6 ON) lub 0 (MI6 OFF).
Krok 4
Do danego wejścia cyfrowego można przypisać jedną z dostępnych funkcji. Przypisanie funkcji odbywa się poprzez wpisanie numeru odpowiadającego danej funkcji do parametrów 04.05~04.08, które definiują wejścia MI3~MI6.
Spis dostępnych funkcji umieszczono w tabeli poniżej:
Nr – Opis funkcji
0 – Brak funkcji
1 – Wybór prędkości predefiniowanej 1
2 – Wybór prędkości predefiniowanej 2
3 – Wybór prędkości predefiniowanej 3
4 – Wybór prędkości predefiniowanej 4
5 – Reset zewnętrzny
6 – Blokada przyspieszania/hamowania
7 – Wybór czasu przyspieszania/hamowania
8 – Ruch w trybie JOG
9 – Zewnętrzna blokada napędu
10 – Zwiększanie częstotliwości zadanej
11 – Zmniejszanie częstotliwości zadanej
12 – Wyzwalanie wewnętrznego licznika
13 – Resetowanie wewnętrznego licznika
14 – Wywołanie błędu awarii zewnętrznej EF
15 – Wyłączenie regulatora PID
16 – Wyjście Shutoff Stop
17 – Blokada zmiany parametrów
18 – Wybór źródła komend sterujących –wejścia wielofunkcyjne
19 – Wybór źródła komend sterujących – panel cyfrowy
20 – Wybór źródła komend sterujących – interfejs komunikacyjny
21 – Zmiana kierunku obrotów FWD/REV
22 – Wybór drugiego źródła komendy częstotliwości
Dzięki sterowaniu wejściami przez komunikację, możemy wyzwalać wybraną funkcję bez fizycznego podpięcia do wejścia cyfrowego. Wszystkie niezbędne informacje, dokładny opis wykorzystanych parametrów oraz funkcji znajdują się w instrukcji obsługi falownika VFD-E.
Opublikowano: 10 października 2016
